
名称:正三通
承压等级:【1.0MPa】
颜色:灰色
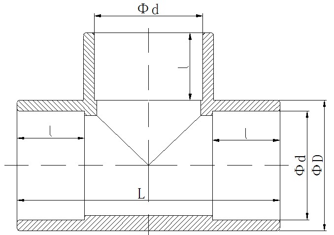
产品规格图解:
其中“ΦD”表示管件公称外径,“Φd”表示管件公称内径,“L”管件长度,“l”表示管件承插口长度,,1.0MPa=10公斤
|
公称尺寸Φd |
ΦD |
l |
L |
|
20 |
27 |
16 |
54 |
|
25 |
32 |
19 |
64 |
|
32 |
40 |
22 |
78 |
|
40 |
49 |
26 |
94 |
|
50 |
60 |
31 |
114 |
|
63 |
73 |
38 |
140 |
|
75 |
87 |
44 |
164 |
|
90 |
104 |
51 |
194 |
|
110 |
126 |
61 |
235 |
|
125 |
—— |
—— |
—— |
|
140 |
161 |
76 |
293 |
|
160 |
184 |
184 |
332 |
|
200 |
—— |
—— |
—— |
|
225 |
254 |
112 |
460 |
|
250A/B |
—— |
—— |
——590 |
|
315 |
345 |
165 |
616 |
|
400 |
432 |
206 |
826 |
PVC-U管件是一种硬质聚氯乙烯材料,它是由聚氯乙烯树脂与稳定剂、润滑剂等以一定的比例混合注塑成型的。产品外表光滑,符合GB/T10002.1-2006的标准。
产品包装介绍:
|
产品规格(mm) |
重量(只/kg) |
包装量(只/箱) |
包装箱尺寸(mm) |
|
20 |
0.026 |
640 |
44*31*32 |
|
25 |
0.034 |
360 |
44*31*32 |
|
32 |
0.044 |
256 |
44*31*32 |
|
40 |
0.079 |
216 |
44*31*32 |
|
50 |
0.119 |
168 |
44*31*32 |
|
63 |
0.207 |
72 |
44*31*32 |
|
75 |
0.295 |
40 |
53*38*37 |
|
90 |
0.462 |
36 |
53*38*37 |
|
110 |
0.735 |
20 |
58*41*58 |
|
125 |
0.96 |
18 |
58*41*58 |
|
140 |
1.273 |
7 |
58*41*58 |
|
160 |
1.823 |
5 |
53*38*37 |
|
200 |
3.628 |
4 |
58*41*58 |
|
225 |
5.466 |
2 |
58*41*58 |
|
250A/B |
7.828 |
2 |
58*41*58 |
|
315 |
15.346 |
1 |
58*41*58 |
|
400 |
31.773 |
1 |
58*41*58 |
正三通的特点及用途:
1. 产品经过热塑处理,最高可在流体温度60C°的环境下正常工作。
2.主要用于相同口径管材之间的连接,管道分支时使用。
3.管件的连接采用胶粘式,便于安装,密封性可靠。
4.管件长时间使用内壁不结垢、不阻塞,更卫生。
※若购买此种管件用于管材连接,需同时购买相配套的PVC胶水(胶合剂),具体安装方式及注意事项详见《粘接式PVC管件安装方法》。